Roble Sedoso
Nombre Vulgar
Roble Sedoso, Roble Australiano
Nombre Científico
Grevillea robusta
Distribución geográfica
Especies exóticas de Australia (costa este). En el país se las cultiva como ornamentales y en algunas plantaciones comerciales en Misiones y Corrientes.
Descripción Macroscópica
Madera de color castaño rosado claro, de peso medio, con una densidad de 0,600 g/cm3. Grano recto. Textura gruesa y heterogénea. Con diseño jaspeado. Muy durable a la intemperie.
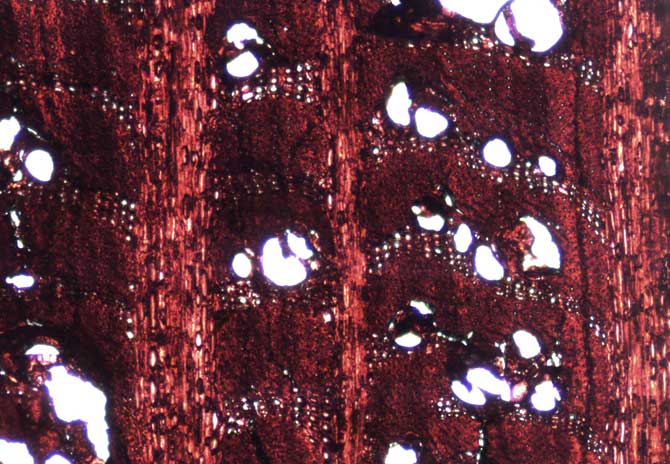
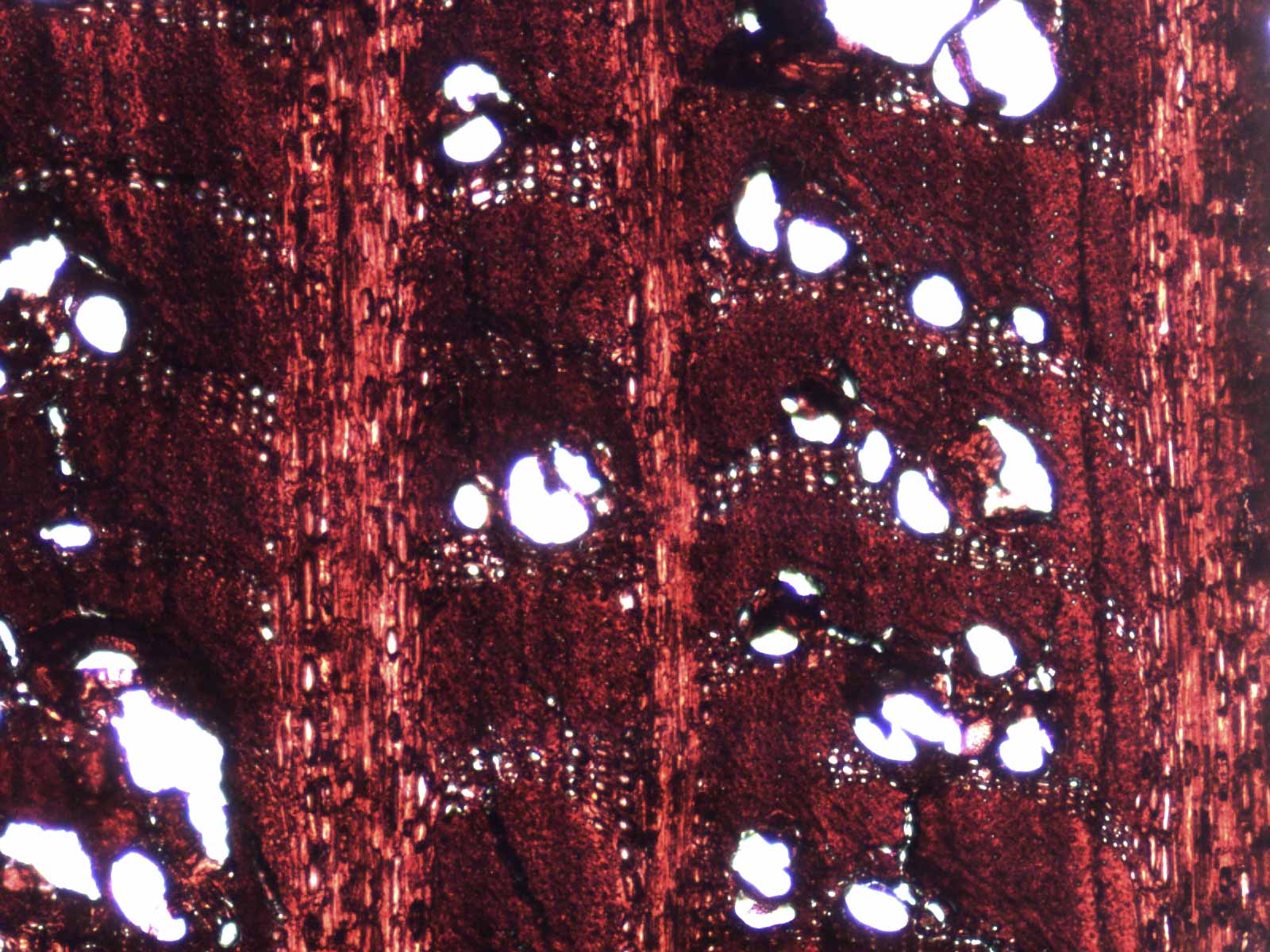
Anillos de crecimiento demarcados, porosidad circular, poros solitarios y agrupados, con disposición ulmoide en elño tardío, parénquima axial vasicéntrico, confluente y marginal.
Usos
Ideal para muebles exteriores, mueblería fina, molduras, paneles, piezas curvas, carpintería en general, instrumentos musicales, revestimientos.
Descripción Microscópica
Anillos de crecimiento demarcados, porosidad circular, poros solitarios y agrupados, con disposición ulmoide en leño tardío, parénquima axial vasicéntrico, confluente y marginal. Radios de dos tamaños, multiseriados (15-35 células de ancho) y 1-3-seriados, homogéneos (multiseriados) y heterogéneos (1-3 seriados). Presencia de radios agregados. Estructura estratificada ausente. Fibras libriformes.
Herbario
Hojas compuestas, bipinadas, verde oscuras delicadamente dentadas, reminiscentes de fronda de helecho, grandes de 15 a 30 cm de largo, con 10-14 pares de pinas, con el envés de color blanco grisáceo. Sus flores son doradas naranjas muy llamativas. Frutos folículos dehiscentes pardo oscuros aterciopelados, de 2 cm de largo, con una o dos semillas planas aladas.
Cátedra de Dendrología | Fac. Cs Agrarias y Forestales | UNLP | Diag. 113 Esq 61 | 1900 La Plata CC31 | Tel: 0221 4236616 Fax: 0221 4252346







